電容電感測試儀的工作原理
了解電力測試設備的工作原理,能更好幫助我們了解本設備,下面合眾電氣專家介紹,電容電感測試儀的工作原理,來舉例說明。
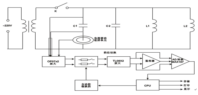
圖1 工作原理圖
在被測電容支路有對被測電容的電壓、電流取樣的取樣電路,取樣電路的輸出端分別接放大電路,從電壓放大電路輸出的電壓信號和從電流放大電路輸出的電流信號通過鑒相器輸出相位差信號,與電壓信號和電流信號通過A/D轉換器(將模擬信號轉變為數字信號的電子元件)后,輸入CPU計算而得到被測電容值。因為采用了移動的電流取樣單元,而使得無需拆除連接線就可以直接測量電容值。
加之測量過程檔位是自動進行選擇,避免了手動操作引起的誤差,因此具有穩定性好、重復性好,準確可靠的特點。
以上是電容電感測試儀的工作原理,如需本儀器請找專業廠家,合眾電氣有二十年經驗。
在被測電容支路有對被測電容的電壓、電流取樣的取樣電路,取樣電路的輸出端分別接放大電路,從電壓放大電路輸出的電壓信號和從電流放大電路輸出的電流信號通過鑒相器輸出相位差信號,與電壓信號和電流信號通過A/D轉換器(將模擬信號轉變為數字信號的電子元件)后,輸入CPU計算而得到被測電容值。因為采用了移動的電流取樣單元,而使得無需拆除連接線就可以直接測量電容值。
加之測量過程檔位是自動進行選擇,避免了手動操作引起的誤差,因此具有穩定性好、重復性好,準確可靠的特點。
以上是電容電感測試儀的工作原理,如需本儀器請找專業廠家,合眾電氣有二十年經驗。
- 上一篇: 高壓開關機械特性測試儀刪除數據和U盤保存
- 下一篇: 電容電感測試儀的技術參數






